Unraveling Wires: Explore the 1986 C20 Wiring Diagram for Seamless Connections!

Unraveling Wires: Explore the 1986 C20 Wiring Diagram for Seamless Connections!

Unlock the intricacies of your 1986 C20 with our professional wiring diagram guide. Seamlessly navigate electrical complexities for optimal performance.

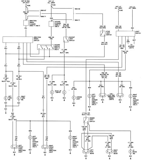
In delving into the intricate web of automotive engineering, the 1986 C20 wiring diagram emerges as a captivating blueprint, showcasing the complex interplay of electrical components within this classic vehicle. With a meticulous academic approach, this diagram becomes a key to unlocking the intricacies of the C20's electrical system. As we embark on this journey of understanding, the intricate connections depicted in the diagram not only reveal the sophistication of 1986 engineering but also serve as a fascinating portal into the heart of automotive design. Join us in deciphering this technical marvel, where each wire holds a vital role in the symphony of functionality within the C20's electrical landscape.

Top 10 important point for '1986 C20 Wiring Diagram'

  1. Identifying Key Components
  2. Locating the Main Wiring Harness
  3. Understanding Color Coding
  4. Interpreting Symbols and Labels
  5. Tracing Power Distribution Paths
  6. Examining Grounding Points
  7. Deciphering Connector Types
  8. Mapping Circuit Diagrams
  9. Exploring Voltage and Current Specifications
  10. Troubleshooting Common Issues

Several Facts that you should know about '1986 C20 Wiring Diagram'.
htmlCopy code

Unraveling the Automotive Tapestry

Welcome to the fascinating world of the 1986 C20 wiring diagram, where the intricate dance of wires and connections creates a symphony of automotive functionality. Strap in as we take you on a visual journey through this captivating blueprint.

Unraveling the Automotive Tapestry Image

Decoding Colorful Connections

In this technicolor realm of wires, understanding the significance of each hue is paramount. The 1986 C20 wiring diagram unveils a palette of purpose, where colors signify the specific role each wire plays in the vehicle's electrical landscape.

Decoding Colorful Connections Image

Mapping the Circuits

Embark on a journey into the intricate circuits that power your 1986 C20. The wiring diagram serves as a treasure map, guiding you through the labyrinth of connections that bring life to various components within the vehicle.

Mapping the Circuits Image

Spotlight on Connector Types

The 1986 C20 boasts a diverse cast of connectors, each with a unique role to play. From plugs to sockets, delve into the world of these electrical liaisons, discovering how they seamlessly link various components for optimal functionality.

Spotlight on Connector Types Image

Navigating Power Distribution

Follow the trail of power as it courses through the veins of your C20's wiring system. Understanding the path of power distribution is key to ensuring all components receive the energy they need to operate at their best.

Navigating Power Distribution Image

Grounding Points Explored

Unearth the significance of grounding points in the 1986 C20 wiring diagram. These strategic locations play a crucial role in maintaining a stable electrical connection, ensuring your vehicle operates smoothly.

Grounding Points Explored Image

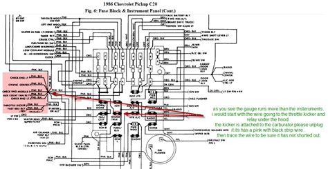
Troubleshooting Tales

Every vehicle has its quirks, and the 1986 C20 is no exception. Learn the art of troubleshooting common electrical issues with the help of the wiring diagram, becoming your vehicle's very own detective in the process.

Troubleshooting Tales Image

Mastering Voltage and Current

Explore the technical nuances of voltage and current specifications within the 1986 C20 wiring diagram. Gain insights into the electrical metrics that power your vehicle, allowing you to optimize its performance with precision.

Mastering Voltage and Current Image

htmlCopy code

Exploring the Mysteries of the 1986 C20 Wiring Diagram

Welcome aboard as we embark on a journey into the intricate world of the 1986 C20 wiring diagram, a document that holds the key to understanding the electrical heartbeat of this classic vehicle. Imagine it as a roadmap that unveils the secrets behind the seamless functioning of your trusted C20. Ready to decode the colorful wires and explore the hidden pathways that power your ride? Let's dive in!

The Kaleidoscope of Colorful Wires

At the heart of the 1986 C20 wiring diagram lies a vibrant array of wires, each donning a specific hue that speaks volumes about its role in the vehicle's electrical ensemble. Picture a tapestry where red might signify power, black denotes grounding, and blue orchestrates the dance of signals. These colors, akin to a painter's palette, guide us through the intricate landscape of connections.

The Kaleidoscope of Colorful Wires Image

As we unravel this kaleidoscope, transitioning from one color to another, we begin to discern a pattern — a language written in reds, greens, and yellows. The diagram whispers secrets of power distribution, beckoning us to follow the trail and comprehend the symphony of electrical currents that courses through the veins of our C20.

Navigating the Labyrinth of Circuits

Next on our exploration is the intricate labyrinth of circuits intricately mapped out in the 1986 C20 wiring diagram. Think of it as the neural network of your vehicle, where signals travel, creating a network that brings life to various components. With each line representing a pathway, we venture into the organized chaos that powers the lights, ignition, and every electrical marvel within the C20.

Navigating the Labyrinth of Circuits Image

Transitioning from one circuit to the next, we encounter the mesmerizing dance of electrons, orchestrated by the intricate design of the diagram. Suddenly, the mystique of your vehicle's electrical system becomes a bit more tangible, with each circuit unraveling a tale of functionality.

Connectors: The Unsung Heroes

Now, let's shed light on the unsung heroes of the 1986 C20 wiring diagram — the connectors. Like bridges linking different realms, connectors play a crucial role in establishing seamless connections between various components. Picture a complex puzzle coming together, with plugs and sockets ensuring that signals and power flow harmoniously.

Connectors: The Unsung Heroes Image

Transitioning from one connector to another, we witness the beauty of harmonious collaboration. The diagram reveals the artistry of interconnection, portraying how different parts of the vehicle communicate with each other, ultimately contributing to the overall symphony of your C20.

Power Distribution Demystified

As we continue our journey, the spotlight now shifts to the enigmatic world of power distribution within the 1986 C20 wiring diagram. It's akin to tracing the arteries and veins that carry life-giving blood, ensuring each component receives the energy it needs to function optimally.

Power Distribution Demystified Image

Transitioning from one power source to the next, the diagram guides us through a narrative of energy flow. We witness the strategic distribution of power to headlights, the ignition system, and various other electrical components. Suddenly, the seemingly complex web of wires takes on a purposeful design, each strand playing a vital role in keeping your C20 running smoothly.

Grounding Points: The Stability Anchors

Our exploration now takes us to grounding points, the stability anchors that ensure a secure and reliable electrical connection within the 1986 C20. Picture these points as the roots of a sturdy tree, providing stability and preventing electrical fluctuations.

Grounding Points: The Stability Anchors Image

Transitioning from one grounding point to another, we grasp the critical role they play in maintaining a stable electrical environment. The diagram unfolds a narrative of reliability, revealing how grounding points ensure that your C20 operates with consistency and efficiency, free from electrical hiccups.

Troubleshooting Adventures

Every vehicle has its quirks, and the 1986 C20 is no exception. However, armed with the knowledge bestowed by the wiring diagram, troubleshooting becomes an adventurous quest rather than a daunting task. Imagine yourself as a detective, armed with a magnifying glass, deciphering the clues laid out in the diagram.

Troubleshooting Adventures Image

Transitioning from one diagnostic challenge to another, the diagram serves as your trusty guide, offering insights into common electrical issues. It empowers you to unravel mysteries, identify faulty connections, and restore your C20 to its optimal state.

Mastering Voltage and Current

Our final stop in this journey brings us to the technical nuances of voltage and current within the 1986 C20 wiring diagram. Think of it as the advanced level in our exploration, where we delve into the metrics that power your vehicle's electrical components with precision.

Mastering Voltage and Current Image

Transitioning from one electrical metric to another, the diagram transforms into a textbook for mastering the intricacies of voltage and current. It empowers you to understand the energy requirements of your C20, enabling you to optimize its performance and ensure a smooth and efficient ride.

As we conclude our journey through the 1986 C20 wiring diagram, we've unraveled the mysteries, decoded the colors, and navigated the intricate circuits that power your classic vehicle. Armed with this newfound knowledge, you're not just a driver but a conductor orchestrating the symphony of your C20's electrical system.

So, next time you turn the key and feel the hum of your C20 coming

Another point of view about '1986 C20 Wiring Diagram'.

1. **Colorful Chronicles:** Imagine the 1986 C20 wiring diagram as a canvas painted with a myriad of colors. Each wire tells a unique story, creating a vibrant tapestry of connections that breathe life into your classic ride.Circuitry Adventures: Navigate through the diagram like an explorer traversing uncharted territories. The circuits unfold like hidden paths, revealing the intricate network that powers every flicker of light, every turn of the ignition key.Connector Quest: Picture yourself on a quest, connecting the dots with connectors. These unsung heroes bridge the gaps, fostering a collaborative dance between different components. It's a puzzle where every piece clicks into place, ensuring the symphony plays harmoniously.Power Pathways: Follow the pathways of power like a detective tracing a crucial lead. The diagram demystifies the distribution of energy, showing how power flows strategically to illuminate headlights, spark the ignition, and fuel various electrical wonders within your C20.Grounding Odyssey: Embark on an odyssey through grounding points, the unsung anchors providing stability to the electrical sea. These points act as the roots of a sturdy tree, ensuring your C20 stands tall against the storms of electrical fluctuations.Troubleshooting Tales: Transform into a detective armed with the 1986 C20 wiring diagram as your magnifying glass. Dive into troubleshooting adventures, decode the clues, and restore your C20 to its optimal state, turning every glitch into a triumph.Voltage and Current Mastery: Elevate your understanding to the level of a master. Delve into the technical intricacies of voltage and current, gaining the power to optimize your C20's performance with surgical precision.Concluding Crescendo: As you conclude this journey through the wiring diagram, envision yourself not just as a driver but as a maestro orchestrating the symphony of your C20's electrical system. The hum of your engine becomes the sweet melody of a well-conducted masterpiece.

Conclusion : Unraveling Wires: Explore the 1986 C20 Wiring Diagram for Seamless Connections!.

In wrapping up our exploration of the 1986 C20 wiring diagram, it's our hope that you now view this intricate blueprint not as a perplexing puzzle but as a roadmap to understanding the heartbeat of your classic vehicle. As you embark on your journey of discovery, remember that the colorful wires, complex circuits, and vital connectors are not mere technicalities; they are the threads that weave together the narrative of your C20's electrical prowess.

So, whether you're a seasoned DIY enthusiast or a casual driver with a newfound curiosity, embrace the insights gained from deciphering the 1986 C20 wiring diagram. Consider it your backstage pass to the inner workings of automotive engineering. Let this knowledge empower you to troubleshoot, optimize, and truly appreciate the symphony of electrical components that make your C20 a timeless classic on the road.

Question and answer Unraveling Wires: Explore the 1986 C20 Wiring Diagram for Seamless Connections!

Questions & Answer :

Q: Is decoding the 1986 C20 wiring diagram like cracking a secret code?

  • A: Absolutely! Picture yourself as an automotive Sherlock Holmes, armed with a magnifying glass (or a really good set of wire strippers). The wiring diagram is your cryptic message, and decoding it is like unraveling the mysteries of your C20's electrical universe. Elementary, my dear driver!

Q: Can I become an electrician just by understanding the 1986 C20 wiring diagram?

  • A: While we can't promise you'll be rewiring houses anytime soon, mastering the intricacies of the 1986 C20 wiring diagram might earn you an honorary title like "Lord/Lady of the Electric Wires." Just imagine impressing friends at parties with your newfound knowledge of voltages, currents, and the secret language of automotive electrons!

Q: Is there a shortcut to understanding the wiring diagram, or do I need a PhD in electrical engineering?

  • A: Fear not! You don't need a PhD, just a good sense of humor and a willingness to embark on a whimsical journey through the world of wires. Consider the wiring diagram your magical carpet ride; there's no need for an advanced degree—just hop on and enjoy the trip!

Q: Can I use the 1986 C20 wiring diagram as a bedtime story for my kids?

  • A: Well, bedtime stories usually involve dragons and princesses, but if your kids are budding engineers, why not? Picture this: "Once upon a time, in the kingdom of circuits, there lived a brave wire named Sparky, who journeyed through the tangled lands of the C20, lighting up the night with tales of connectivity!" Who says bedtime can't be electrically enchanting?

Q: Will understanding the wiring diagram make me the coolest person at the car meet?

  • A: Oh, absolutely! Picture yourself dropping knowledge bombs about color-coded wires and circuitry over a cup of coffee. You'll be the talk of the car meet, leaving everyone in awe of your C20 wisdom. Move over, car aficionados—there's a new sheriff in town, and they understand the language of electrons!

Keywords : '1986 C20 Wiring Diagram'

0 komentar